Кухонная мойка с монтажом на столешницу Franke S2D 611-62/435 сахара, в мебельную базу на 45 см
Ключевые характеристики модели:
- цвет - сахара
- ширина шкафа под мойку - не менее 45 см
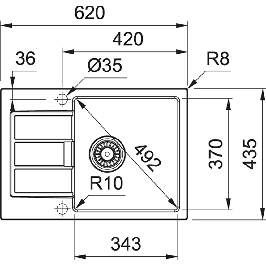
- ширина мойки - 62 см
- глубина мойки - 44 см
- отделка - Tectonite (стекловолокно + смола)
- вариант монтажа - на столешницу
- количество чаш: 1
- вентиль-автомат
В комплекте
- в комплекте, выпуск 3,5"
- скрытый перелив под декоративной пластиной с логотипом Franke
- FastFix® обеспечивают легкий монтаж мойки в столешницу толщиной от 12 мм
Дополнительные аксессуары
- корзинка, нержавеющая сталь 285 х 350 х 145 мм, арт.112.0018.988
Материал мойки - Tectonite
Наряду с многолетним производством моек из кварца, Франке обладает большим опытом в изготовлении цветных моек из искусственных материалов — Franke Tectonite® (Тектонайт). Его основой является материал из стекловолокна и полимерных смол, что обеспечивает мойке чрезвычайную ударопрочность. Поверхностный слой — специальный композитный материал, обеспечивающий цветмойки, ее теплостойкость, устойчивость к царапинам и износу. Особая уникальная текстура покрытия придаёт мойке вид натурального материала.
Все мойки Tectonite® устойчивы к царапинам, ударам, перепадам температур и выдерживают высокую температуру до 300 °C, их цвет не меняется с течением времени. Мойки не выделяют вредных веществ,не имеют запахов и безопасны для здоровья человека.
Tectonite® сертифицировансогласно европейскому стандарту EN13310: 2003–04 для кухонных моек, норм европейского сообщества EC10/2011 о безопасности приконтактах искусственных материалов с продуктами питания.
С 2020 года Franke производит мойкиTectonite® на новом заводе концерна в Словакии.
*********************************************************************************************************
Производитель
Глобальная история успеха концерна Franke началась более 100 лет назад в 1911 году, когда Герман Франке основал мастерскую по производству изделий из листовой стали под названием «Spenglerei Hermann Franke» в городе Роршах (Швейцария).
В 30-х годах XX века Герман начал производство первых кухонных моек из нержавеющей стали. Позднее компания переехала в Аарбург (Швейцария), где сейчас расположен самый крупный и современный завод компании, а также штаб-квартира концерна Franke. Концерн Franke сегодня насчитывает 72 дочерних предприятий на 4 континентах, где работает около 9 000 сотрудников.
Продукты Franke присутствуют в 100 миллионах домов по всему миру. Высокое качество и стремление к совершенству делают Franke на протяжении многих лет мировым лидером в своей отрасли.
Гарантия
Гарантийный срок для этого прибора составляет 15 лет и предоставляется производителем с момента покупки. При возникновении проблем в период гарантийного срока или позднее - просьба обращаться в специализированные центры Franke Обращение к специалистам поможет быстро и без лишних затрат решить возникающие проблемы.
Техническая документация кухонной мойки S2D 611-62/435

* Вся информация о товаре, характеристики и описание не являются публичной офертой. Производители техники могут без уведомления менять комплектацию, дизайн и функционал моделей. Пожалуйста, уточняйте данные о товаре у консультантов.
